Der lokale Speicher scheint in Ihrem Browser deaktiviert zu sein.
Um unsere Website in bester Weise zu erfahren, aktivieren Sie die lokale Speicherung in Ihrem Browser.
Entdecken Sie unsere vielseitigen Lösungen zur Schwingungsdämpfung und Befestigung.
|
Was sind Gummierte Kragenbuchsen? Rubberhülsen, auch bekannt als Wellmuttern oder Blindnietmuttern, sind Befestigungselemente, die zum Isolieren von Vibrationen, Stößen und Geräuschen entwickelt wurden, ohne dass ein Zugang zur Rückseite des Materials erforderlich ist. Diese Hülsen sind mit einer Metallhülse mit Innengewinde ausgestattet, wodurch sie höheren Belastungen standhalten können, ohne sich abzunutzen oder zu lockern. Beim Anziehen einer Schraube dehnt sich die Hülse aus, wodurch sie sich selbst festsetzt und eine stabile und elastische Verbindung entsteht, die hohen Vibrationen standhält. |
![]() |
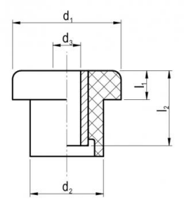
Sofort bestellen Gummi-Kragenbuchsen mit Metallbuchse ohne Gewinde
Unsere Produkte
1. Gummihülsen mit Metalleinsatz ohne Gewinde
Ideal für Anwendungen, bei denen eine einfache Montage und eine effektive Schwingungsdämpfung erforderlich sind. Diese Hülsen eignen sich für Kompressoren, Pumpen, Ventilatoren, industrielle Waschmaschinen, Elektromotoren, Schalttafeln und mehr. Sie werden mit einem Metalleinsatz aus ST 37 oder Edelstahl A2/A4 geliefert und sind auf Anfrage in verschiedenen Gummisorten und Härtegraden erhältlich.
2. Gummihülsen mit Metalleinsatz mit Gewinde
Speziell entwickelt für die sichere und feste Befestigung von dünnen Platten, wie Metall-, Holzplatten oder Leiterplatten mit Elektronik. Durch das Anziehen einer Schraube dehnt sich die Hülse aus und setzt sich im Loch fest, was zu einer starken und zuverlässigen Befestigung führt. Diese Hülsen sind auch mit einem Metalleinsatz aus ST 37 oder Edelstahl A2/A4 erhältlich und können an verschiedene Gummisorten und Härtegraden angepasst werden.
Anwendungen
Gummihülsen werden häufig verwendet für:
- Befestigung von dünnen Platten in der Industrie
- Schwingungsdämpfung in der Automobil- und Industrieanwendungen
- Befestigung von elektronischen Bauteilen und Leiterplatten
Maßgeschneiderte Optionen
Unsere Hülsen bestehen aus hochwertigem Naturkautschuk (NR) und sind in Härtegraden von 43, 55 oder 72 Shore A erhältlich. Der Metalleinsatz ist in ST37 Stahl und Edelstahl A2/A4 erhältlich. Für spezifische Bedürfnisse oder weitere Informationen können Sie uns jederzeit kontaktieren.
Verbessern Sie noch heute die Leistung und Haltbarkeit Ihrer Ausrüstung mit unseren hochwertigen Gummihülsen. Wir stehen bereit, um Sie zu beraten und bei der Auswahl der richtigen Lösung für Ihre Anwendung zu unterstützen!
Kontaktieren Sie uns für ein individuelles Angebo
Für Hohldämpfer und Anschlagpuffer und viele andere Gummiartikel verweisen wir Sie auf den Webshop.
