Der lokale Speicher scheint in Ihrem Browser deaktiviert zu sein.
Um unsere Website in bester Weise zu erfahren, aktivieren Sie die lokale Speicherung in Ihrem Browser.

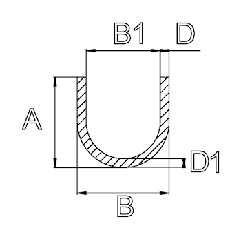
Gummi-U-Profil inw, 3.5 mm, BxH: 7.5x10 mm

7,79 € 6,44 €
  • Kauf 50 für 5,46 € 4,51 € jeweils und spare 30%
  • Kauf 100 für 4,67 € 3,86 € jeweils und spare 40%


Lieferzeit (in Arbeitstagen) : 11

- +

Product description

Wir machen einen Unterschied zwischen U-Profilen mit gerader Unterseite, runder Unterseite, mit Hohlkammer und U-Profilen mit Verdickung, damit sie geeignet sind als Schutzleiste.

Gummi-U-Profile werden u.a. verwendet zum Festklemmen von Glasscheiben und Kunststoffplatten und als Abdichtung und Verarbeitung. Diese Gummiprofile werden auch oft benutzt in der Schifffahrt, dem Maschinen- und Karosseriebau, Wohnwagen, Wohnanhaengern und Booten.

Gummiprofile aus TPE sind sehr UV-bestaendig, Witterungsbestaendig und bleiben unter nahezu allen Umstaenden flexibel. TPE faerbt nicht ab.

Diese Profile werden hergestellt aus TPE, aber auf Wunsch auch aus EPDM und Silikongummi. Nehmen Sie fuer weitere Informationen hierueber bitte Kontakt mit uns auf.

Specifications

Weitere Informationen
Preis 6,44 €
Artikelnummer 1000U0000467
B1 3,50
B 7,50
A 10,00
D 2,00
D1 2,00
Gewicht (Gramm) 59
Gewicht und Liefermenge Pro Meter
Lieferzeit (in Arbeitstagen) 11