Der lokale Speicher scheint in Ihrem Browser deaktiviert zu sein.
Um unsere Website in bester Weise zu erfahren, aktivieren Sie die lokale Speicherung in Ihrem Browser.
Wir sind ein Lieferant von Schwingungsisolatoren und Aufhängeelemente für alle Marktsektoren. Mit unserem umfangreichen Standardsortiment und all unseren Produktionsmöglichkeiten können wir sehr kurzfristig verschiedene Antivibrationsprodukte liefern.
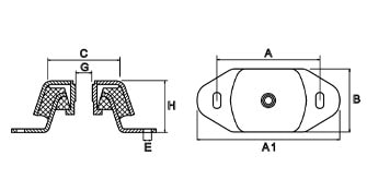
Gummi-Motorstützen
(M12-Schwingungsdämpfer, GM-Maschinenfüße, Konuslager, Maschinenfüße)
Motorstützen eignen sich sehr gut zur Dämpfung von Schwingungen und Geräuschen und werden daher häufig sowohl in mobilen als auch in statischen Installationen eingesetzt.
Die Motorstützen werden häufig für Pumpen, Kompressoren und Generatoren in industriellen Anwendungen, für Autos und Lastwagen sowie für Wasserfahrzeuge verwendet. Diese Schwingungsisolatoren sind einfach zu montieren und bieten eine hohe Schwingungsisolierung.
Nachstehend finden Sie die Maße der gängigsten Gummidämpfer unter den Motorstützen. Sie werden in 40, 55 und 72 Shore A hergestellt und der Metallteil ist aus galvanisiertem Stahl 37.
|
|
|||||||
| A | A1 | B | C | E | F | G | H |
| 182 | 230 | 112 | 80 | 25x18 | 18x33 | M20 | 73 |
| 140 | 183 | 75 | 75 | 20x13 | 20x13 | M16 | 50 |
| 100 | 120 | 60 | 60 | 11x14 | 11x14 | M10 | 40 |
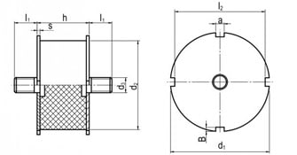
Schwingungsdämpfer mit Aussparungen
(Sandwich-Auflager)
Schwingungsdämpfer mit Aussparungen werden vor allem dort eingesetzt, wo die Dämpfer einer starken Torsion ausgesetzt sind. Durch das Einsetzen eines Keils in die Aussparung wird verhindert, dass sich der Schwingungsdämpfer während des Betriebs oder beim Einbau an schwer zugänglichen Stellen bewegt. Diese Art von Schwingungsdämpfer ähnelt einem Sandwich-Auflager.
Diese Gummi-Schwingungsdämpfer werden in den Härtegraden 40, 55 und 72 Shore A geliefert. Standardmäßig wird Stahl 37 verwendet, aber die Dämpfer können auch in Edelstahl A2 und A4 geliefert werden.
|
|
||||||||||
| d1 | d2 | h | d3 | l 1 | l 2 | t | s | a | B | |
| 105 | 94 | 40 | M16 | 41 | 95,5 | 16 | 3 | 9 | 4,5 | |
| 105 | 94 | 55 | M16 | 41 | 95,5 | 16 | 3 | 9 | 4,5 | |
Preis für Gummi-Motorstützen beantragen
Preis für Schwingungsdämpfer mit Aussparungen beantragen
Weitere Schwingungsisolatoren im Webshop ansehen



