Der lokale Speicher scheint in Ihrem Browser deaktiviert zu sein.
Um unsere Website in bester Weise zu erfahren, aktivieren Sie die lokale Speicherung in Ihrem Browser.
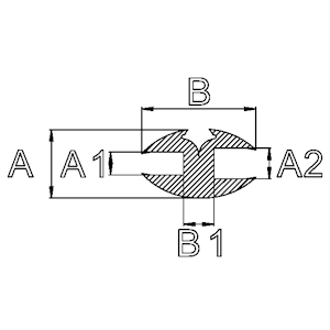
Scheibengummis, H-Profile
Vollgummi-Profile, wie z. B. Klemm- und Scheibengummiprofile, dienen verschiedenen Zwecken bei der Montage von Glasscheiben und Plattenmaterialien.
Klemmprofile sind flexible Gummiprofile mit einem sehnenartigen Kern und werden häufig zur Befestigung von Glas oder anderen Materialien in einem Rahmen verwendet. Sie sorgen für die Abdichtung und Befestigung, indem sie das Material in einer Nut halten.
Scheibengummiprofile sind speziell für das Befestigen und Abdichten von Glasscheiben in Fahrzeugen wie Autos, Booten, Lastwagen und Campern konzipiert. Sie passen sich der Form des Scheibens an und sorgen für eine wasserdichte Abdichtung.
Im Allgemeinen erfüllen diese Vollgummiprofile die folgenden Funktionen:
- Abdichtung: Sie sorgen für eine wasser- und luftdichte Abdichtung zwischen dem Glas oder der Platte und dem sie umschließenden Rahmen und verhindern das Eindringen von Feuchtigkeit, Staub und Luft.
- Befestigung: Sie halten das Glas oder die Platte fest an ihrem Platz, auch bei Schwingungen oder Bewegungen, und verringern das Risiko, dass sie sich lösen.
- Schutz: Sie schützen die Kanten des Glases oder des Materials vor Beschädigungen durch Stöße oder Scheuern am Rahmen.
Kurz gesagt, Gummiprofile wie Klemmprofile und Scheibengummiprofile sind wichtige Komponenten in Fahrzeugen und anderen Anwendungen, bei denen Glas- und Plattenmaterialien montiert werden müssen, wenn Abdichtung, Befestigung und Schutz benötigt werden.
Hier finden Sie Keile und Füller aus Kunststoff für Klemmprofile aus Gummi.
Scheibengummis können in verschiedenen Farben und Härtegraden hergestellt werden. Standardmäßig bieten wir die gängigsten Profile in Schwarz und einer Härte von 60 Shore A an. Unsere Preise basieren auf dieser Farbe und diesem Härtegrad. Zu jedem Produkt gibt es ausführliche Informationen, wie Abmessungen, Farboptionen, Härte und Gewicht pro Meter.
Erfahren Sie mehr über das Material (TPE/SEBS) für diese H-förmige Abdichtung, indem Sie hier klicken, oder klicken Sie für weitere Informationen zur Extrusion von Profilen hier.
![]() ![]() |
-
Scheibengummi Glas 2.5 x Platte 4 x Stegbreite 7.5 mmA1: 2.5 A2: 4 A: 16 B: 20.5 B1: 7.59,52 € 7,87 € Ab 5,71 €
-
Scheibengummi Glas 4 x Platte 4 x Stegbreite 6 mmA1: 4 A2: 4 A: 16 B: 23 B1: 611,65 € 9,63 € Ab 6,99 €
-
Scheibengummi Glas 4 x Platte 6 x Stegbreite 8 mmA1: 4 A2: 6 A: 18 B: 30 B1: 812,28 € 10,15 € Ab 7,37 €
-
Scheibengummi Glas 5 x Platte 8 x Stegbreite 6 mmA1: 5 A2: 8 A: 18 B: 26 B1: 612,14 € 10,03 € Ab 7,28 €
-
Scheibengummi Glas 3 x Platte 5 x Stegbreite 5 mmA1: 3 A2: 5 A: 18 B: 26 B1: 59,95 € 8,22 € Ab 5,97 €
-
Scheibengummi Glas 6 x Platte 8 x Stegbreite 5 mmA1: 6 A2: 8 A: 18 B: 28 B1: 511,13 € 9,20 € Ab 6,68 €
-
Scheibengummi Glas 4 x Platte 5 x Stegbreite 7 mmA1: 4 A2: 5 A: 18 B: 24 B1: 711,75 € 9,71 € Ab 7,05 €
-
Scheibengummi Glas 6 x Platte 6 x Stegbreite 5 mmA1: 6 A2: 6 A: 19 B: 30 B1: 512,04 € 9,95 € Ab 7,22 €
-
Scheibengummi Glas 5 x Platte 7 x Stegbreite 6 mmA1: 5 A2: 7 A: 19 B: 23 B1: 610,95 € 9,05 € Ab 6,57 €
-
Scheibengummi Glas 6 x Platte 6 x Stegbreite 8 mmA1: 6 A2: 6 A: 19 B: 25 B1: 811,93 € 9,86 € Ab 7,16 €
-
Scheibengummi Glas 4 x Platte 5 x Stegbreite 6 mmA1: 4 A2: 5 A: 20 B: 30 B1: 611,36 € 9,39 € Ab 6,81 €
-
Scheibengummi Glas 5 x Platte 6 x Stegbreite 6.3 mmA1: 5 A2: 6 A: 20 B: 30 B1: 6.312,22 € 10,10 € Ab 7,33 €
-
Scheibengummi Glas 6 x Platte 9 x Stegbreite 8 mmA1: 6 A2: 9 A: 20 B: 27 B1: 811,81 € 9,76 € Ab 7,09 €
-
Scheibengummi Glas 5 x Platte 7 x Stegbreite 8 mmA1: 5 A2: 7 A: 20 B: 28 B1: 814,71 € 12,16 € Ab 8,83 €
-
Scheibengummi Glas 4 x Platte 5 x Stegbreite 7 mmA1: 4 A2: 5 A: 21 B: 29 B1: 713,14 € 10,86 € Ab 7,89 €
-
Scheibengummi Glas 5 x Platte 5 x Stegbreite 7 mmA1: 5 A2: 5 A: 21 B: 29 B1: 712,71 € 10,50 € Ab 7,62 €
-
Scheibengummi Glas 6 x Platte 5 x Stegbreite 9.5 mmA1: 6 A2: 5 A: 21 B: 29.5 B1: 9.512,67 € 10,47 € Ab 7,60 €
-
Scheibengummi Glas 6 x Platte 7 x Stegbreite 8.5 mmA1: 6 A2: 7 A: 21 B: 29 B1: 8.512,63 € 10,44 € Ab 7,57 €
-
Scheibengummi Glas 3 x Platte 3 x Stegbreite 7 mmA1: 3 A2: 3 A: 21 B: 27 B1: 79,90 € 8,18 € Ab 5,94 €
-
Scheibengummi Glas 6 x Platte 10 x Stegbreite 8 mmA1: 6 A2: 10 A: 22 B: 31 B1: 810,74 € 8,88 € Ab 6,45 €
-
Scheibengummi Glas 8 x Platte 4 x Stegbreite 7 mmA1: 8 A2: 4 A: 22 B: 32 B1: 712,89 € 10,65 € Ab 7,73 €
-
Scheibengummi Glas 10 x Platte 4 x Stegbreite 8 mmA1: 10 A2: 4 A: 22 B: 30 B1: 89,91 € 8,19 € Ab 5,94 €
-
Scheibengummi Glas 7 x Platte 8 x Stegbreite 10 mmA1: 7 A2: 8 A: 24 B: 36 B1: 1014,24 € 11,77 € Ab 8,54 €
-
Scheibengummi Glas 8 x Platte 4 x Stegbreite 8.5 mmA1: 8 A2: 4 A: 24 B: 31 B1: 8.511,91 € 9,84 € Ab 7,14 €
-
Scheibengummi Glas 5 x Platte 12 x Stegbreite 7.5 mmA1: 5 A2: 12 A: 25 B: 25 B1: 7.513,37 € 11,05 € Ab 8,02 €
-
Scheibengummi Glas 11 x Platte 7 x Stegbreite 25 mmA1: 7.5 A2: 11 A: 25 B: 31 B1: 712,87 € 10,64 € Ab 7,72 €
-
Scheibengummi Glas 7.5 x Platte 13 x Stegbreite 8 mmA1: 7.5 A2: 13 A: 25 B: 30 B1: 813,02 € 10,76 € Ab 7,82 €
-
Scheibengummi Glas 5 x Platte 14 x Stegbreite 6 mmA1: 5 A2: 14 A: 25 B: 30 B1: 613,19 € 10,90 € Ab 7,91 €
-
Scheibengummi Glas 5 x Platte 18 x Stegbreite 7 mmA1: 5 A2: 18 A: 25 B: 30 B1: 717,30 € 14,30 € Ab 10,38 €
-
Scheibengummi Glas 8 x Platte 9 x Stegbreite 10.5 mmA1: 8 A2: 9 A: 26 B: 33.5 B1: 10.513,87 € 11,46 € Ab 8,32 €
-
Scheibengummi Glas 5 x Platte 6 x Stegbreite 11 mmA1: 5 A2: 6 A: 27 B: 38 B1: 1115,27 € 12,62 € Ab 9,16 €
-
Scheibengummi Glas 11.5 x Platte 11.5 x Stegbreite 12 mmA1: 11.5 A2: 11.5 A: 27 B: 35 B1: 1213,46 € 11,12 € Ab 8,07 €

