Der lokale Speicher scheint in Ihrem Browser deaktiviert zu sein.
Um unsere Website in bester Weise zu erfahren, aktivieren Sie die lokale Speicherung in Ihrem Browser.
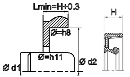
Radialwellendichtringe Typ WAS NBR-Qualität
Radialwellendichtringe Typ WAS in NBR Gummiqualität 70 Shore A in der Farbe schwarz
Radialwellendichtring (Simmerring) in der Standardausführung nach DIN 3760 mit Elastomer-Außenmantel und Metallversteifungsring sowie einer federunterstützten Dichtlippe. Die Feder ist hergestellt aus unlegiertem Stahl nach DIN EN 10270-1 und der Versteifungsring aus unlegiertem Stahl nach DIN EN 10139.
Die Anwendung ist das Abdichten von rotierenden Maschinenelementen, wie Wellen und Naben. Der WAS ist ein einseitig wirkender Radialwellendichtring für rotierende Wellen mit Schutzlippendichtwirkung gegen Schmutzanfall von außen. Der Elastomer-Außenmantel ermöglicht eine gute statische Abdichtung, bietet einen guten Ausgleich der Wärmeausdehnung in zum Beispiel Leichtmetallgehäusen, eine bessere Abdichtung bei größeren Rauheiten und eine sichere Abdichtung bei geteilten Gehäusen. Eine gute statische Abdichtung bei Flüssigkeiten oder Gasen ist gegeben.
Die Radialwellendichtringe haben eine gute chemische Beständigkeit gegen viele Mineralöle und -fette.
Betriebseinsatzgrenzen: Druck (MPa/bar): ≤ 0,05/0,5, Temperatur (°C): -40 bis +100, Umfangsgeschwindigkeit (m/s): ≤ 12
Für die Montage brauchen Sie ein dafür geeignetes Werkzeug. Es wird empfohlen den Einbauraum in solcher Weise zu gestalten, dass der Radialwellendichtring im Gehäuse axial unterstützt wird.
NBR ist gut beständig gegen:
- Mineralöle und -fette
- Aliphatische Kohlenwasserstoffe
- Pflanzliche und tierische Öle und Fette
- Hydrauliköle H, H-L, H-LP
- Druckflüssigkeiten HFA, HFB, HFC
- Silikonöle und Silikonfette
- Wasser (max. 80°C)
NBR ist nicht beständig gegen:
- Kraftstoff mit hohem Aromatengehalt
- Aromatische Kohlenwasserstoffe
- Chlorierte Kohlenwasserstoffe
- Polare Lösemittel
- Druckflüssigkeit und HFD
- Bremsflüssigkeit auf Glykolbasis
- Ozon, Witterungseinflüsse, Alterung
Betriebstemperatur:
- Standardtypen -30°C bis +100°C (kurz 120°C)
- Sonderqualitäten bis -50% möglich
Referenzliste für Abdichtungen
Da Lieferanten und Produzenten von Wellendichtringen manchmal einen privaten Code gebrauchen für die verschiedenen Arten von Öldichtungen, haben wir für Sie eine Referenzliste für Radialwellendichtringe erstellt. Mithilfe dieser Referenzliste können Sie die Typenbezeichnung Ihrer Öldichtung vergleichen mit der wir für den Wellendichtring benutzen.
Wellenabdichtungen, die Sie nicht auf unsere Webseite finden (anderer Typ oder andere Gummiqualität) können nach Ihrer Zeichnung oder Ihrem Modell angefertigt werden.
![]() ![]() |
-
Wellendichtring 150x170x15 mm NBR (Nitril) Typ WAS25,34 € 20,94 € Ab 6,34 €
-
Wellendichtring 150x180x13 mm NBR (Nitril) Typ WAS26,69 € 22,06 € Ab 6,68 €
-
Wellendichtring 150x180x14 mm NBR (Nitril) Typ WAS26,69 € 22,06 € Ab 6,68 €
-
Wellendichtring 155x190x15 mm NBR (Nitril) Typ WAS28,48 € 23,54 € Ab 7,13 €
-
Wellendichtring 160x180x13 mm NBR (Nitril) Typ WAS26,69 € 22,06 € Ab 6,68 €
-
Wellendichtring 160x185x10 mm NBR (Nitril) Typ WAS27,59 € 22,80 € Ab 6,90 €
-
Wellendichtring 160x190x13 mm NBR (Nitril) Typ WAS28,48 € 23,54 € Ab 7,13 €
-
Wellendichtring 160x200x12 mm NBR (Nitril) Typ WAS31,21 € 25,79 € Ab 7,80 €
-
Wellendichtring 170x190x13 mm NBR (Nitril) Typ WAS28,48 € 23,54 € Ab 7,13 €
-
Wellendichtring 170x200x16 mm NBR (Nitril) Typ WAS31,21 € 25,79 € Ab 7,80 €
-
Wellendichtring 180x200x15 mm NBR (Nitril) Typ WAS31,21 € 25,79 € Ab 7,80 €
-
Wellendichtring 180x220x15 mm NBR (Nitril) Typ WAS38,89 € 32,14 € Ab 9,73 €
-
Wellendichtring 185x210x13 mm NBR (Nitril) Typ WAS34,82 € 28,78 € Ab 8,71 €
-
Wellendichtring 190x240x15 mm NBR (Nitril) Typ WAS47,02 € 38,86 € Ab 11,76 €
-
Wellendichtring 220x250x15 mm NBR (Nitril) Typ WAS58,78 € 48,58 € Ab 14,70 €
-
Wellendichtring 240x270x15 mm NBR (Nitril) Typ WAS80,94 € 66,89 € Ab 20,23 €
-
Wellendichtring 24x52x10 mm NBR (Nitril) Typ WAS4,61 € 3,81 € Ab 1,15 €
-
Wellendichtring 120x140x12 mm NBR (Nitril) Typ WAS14,85 € 12,27 € Ab 3,71 €
-
Wellendichtring 78x100x13 mm NBR (Nitril) Typ WAS8,52 € 7,04 € Ab 2,13 €
-
Wellendichtring 32x44x10 mm NBR (Nitril) Typ WAS3,69 € 3,05 € Ab 0,92 €
-
Wellendichtring 32x58x10 mm NBR (Nitril) Typ WAS4,78 € 3,95 € Ab 1,20 €
-
Wellendichtring 33x59x12 mm NBR (Nitril) Typ WAS4,78 € 3,95 € Ab 1,20 €
-
Wellendichtring 36x52x7 mm NBR (Nitril) Typ WAS4,61 € 3,81 € Ab 1,15 €
-
Wellendichtring 38x62x12 mm NBR (Nitril) Typ WAS5,25 € 4,34 € Ab 1,32 €
-
Wellendichtring 40x62x14 mm NBR (Nitril) Typ WAS5,25 € 4,34 € Ab 1,32 €
-
Wellendichtring 40x80x7 mm NBR (Nitril) Typ WAS6,24 € 5,16 € Ab 1,56 €
-
Wellendichtring 55x78x9 mm NBR (Nitril) Typ WAS6,24 € 5,16 € Ab 1,56 €
-
Wellendichtring 55x80x13 mm NBR (Nitril) Typ WAS6,24 € 5,16 € Ab 1,56 €
-
Wellendichtring 55x82x9.35 mm NBR (Nitril) Typ WAS6,79 € 5,61 € Ab 1,69 €
-
Wellendichtring 55x90x8 mm NBR (Nitril) Typ WAS7,32 € 6,05 € Ab 1,83 €
-
Wellendichtring 55x100x12 mm NBR (Nitril) Typ WAS8,52 € 7,04 € Ab 2,13 €
-
Wellendichtring 56x100x10 mm NBR (Nitril) Typ WAS8,52 € 7,04 € Ab 2,13 €
-
Wellendichtring 58x85x10 mm NBR (Nitril) Typ WAS6,79 € 5,61 € Ab 1,69 €
-
Wellendichtring 60x75x12 mm NBR (Nitril) Typ WAS5,87 € 4,85 € Ab 1,46 €
-
Wellendichtring 60x88x14 mm NBR (Nitril) Typ WAS7,32 € 6,05 € Ab 1,83 €
-
Wellendichtring 65x140x10 mm NBR (Nitril) Typ WAS14,85 € 12,27 € Ab 3,71 €
-
Wellendichtring 65x90x8 mm NBR (Nitril) Typ WAS7,32 € 6,05 € Ab 1,83 €
-
Wellendichtring 72x100x13 mm NBR (Nitril) Typ WAS10,30 € 8,51 € Ab 2,58 €
-
Wellendichtring 75x90x7 mm NBR (Nitril) Typ WAS7,32 € 6,05 € Ab 1,83 €
-
Wellendichtring 75x100x12 mm NBR (Nitril) Typ WAS8,52 € 7,04 € Ab 2,13 €
-
Wellendichtring 80x100x18 mm NBR (Nitril) Typ WAS8,52 € 7,04 € Ab 2,13 €
-
Wellendichtring 80x125x13 mm NBR (Nitril) Typ WAS12,48 € 10,31 € Ab 3,12 €
-
Wellendichtring 84x105x12 mm NBR (Nitril) Typ WAS8,97 € 7,41 € Ab 2,24 €
-
Wellendichtring 90x115x12 mm NBR (Nitril) Typ WAS10,13 € 8,37 € Ab 2,53 €
-
Wellendichtring 90x120x15 mm NBR (Nitril) Typ WAS11,76 € 9,72 € Ab 2,94 €
-
Wellendichtring 92x105x10 mm NBR (Nitril) Typ WAS9,68 € 8,00 € Ab 2,42 €
-
Wellendichtring 95x140x13 mm NBR (Nitril) Typ WAS14,85 € 12,27 € Ab 3,71 €
-
Wellendichtring 98x125x12 mm NBR (Nitril) Typ WAS13,39 € 11,07 € Ab 3,35 €
-
Wellendichtring 100x125x10 mm NBR (Nitril) Typ WAS12,48 € 10,31 € Ab 3,12 €
-
Wellendichtring 100x127x10 mm NBR (Nitril) Typ WAS13,39 € 11,07 € Ab 3,35 €
-
Wellendichtring 105x127x10 mm NBR (Nitril) Typ WAS13,39 € 11,07 € Ab 3,35 €
-
Wellendichtring 105x135x15 mm NBR (Nitril) Typ WAS14,28 € 11,80 € Ab 3,57 €
-
Wellendichtring 105x140x15 mm NBR (Nitril) Typ WAS14,85 € 12,27 € Ab 3,71 €
-
Wellendichtring 110x170x12 mm NBR (Nitril) Typ WAS25,34 € 20,94 € Ab 6,34 €
-
Wellendichtring 115x135x14 mm NBR (Nitril) Typ WAS17,25 € 14,26 € Ab 4,32 €
-
Wellendichtring 115x165x15 mm NBR (Nitril) Typ WAS23,06 € 19,06 € Ab 5,77 €
-
Wellendichtring 120x150x16 mm NBR (Nitril) Typ WAS17,38 € 14,36 € Ab 4,34 €
-
Wellendichtring 220x260x14 mm NBR (Nitril) Typ WAS73,70 € 60,91 € Ab 18,43 €
-
Wellendichtring 250x280x16 mm NBR (Nitril) Typ WAS89,08 € 73,62 € Ab 22,28 €
-
Wellendichtring 290x330x18 mm NBR (Nitril) Typ WAS131,08 € 108,33 € Ab 32,77 €
-
Wellendichtring 320x360x18 mm NBR (Nitril) Typ WAS147,68 € 122,05 € Ab 36,92 €
-
Wellendichtring 120x155x16 mm NBR (Nitril) Typ WAS19,26 € 15,92 € Ab 4,82 €
-
Wellendichtring 125x160x15 mm NBR (Nitril) Typ WAS21,08 € 17,42 € Ab 5,28 €
-
Wellendichtring 130x162x9 mm NBR (Nitril) Typ WAS23,06 € 19,06 € Ab 5,77 €
-
Wellendichtring 135x165x15 mm NBR (Nitril) Typ WAS23,06 € 19,06 € Ab 5,77 €
-
Wellendichtring 155x175x13 mm NBR (Nitril) Typ WAS29,85 € 24,67 € Ab 7,47 €
-
Wellendichtring 160x180x10 mm NBR (Nitril) Typ WAS26,69 € 22,06 € Ab 6,68 €
-
Wellendichtring 160x195x15 mm NBR (Nitril) Typ WAS29,85 € 24,67 € Ab 7,47 €
-
Wellendichtring 165x195x16 mm NBR (Nitril) Typ WAS29,85 € 24,67 € Ab 7,47 €
-
Wellendichtring 165x195x15 mm NBR (Nitril) Typ WAS29,85 € 24,67 € Ab 7,47 €
-
Wellendichtring 170x205x16 mm NBR (Nitril) Typ WAS34,82 € 28,78 € Ab 8,71 €
-
Wellendichtring 170x210x15 mm NBR (Nitril) Typ WAS34,82 € 28,78 € Ab 8,71 €
-
Wellendichtring 180x210x14 mm NBR (Nitril) Typ WAS34,82 € 28,78 € Ab 8,71 €
-
Wellendichtring 180x210x16 mm NBR (Nitril) Typ WAS34,82 € 28,78 € Ab 8,71 €
-
Wellendichtring 180x215x15 mm NBR (Nitril) Typ WAS38,89 € 32,14 € Ab 9,73 €
-
Wellendichtring 190x225x15 mm NBR (Nitril) Typ WAS41,61 € 34,39 € Ab 10,41 €
-
Wellendichtring 195x235x16 mm NBR (Nitril) Typ WAS47,02 € 38,86 € Ab 11,76 €
-
Wellendichtring 200x230x16 mm NBR (Nitril) Typ WAS41,61 € 34,39 € Ab 10,41 €
-
Wellendichtring 200x240x20 mm NBR (Nitril) Typ WAS47,02 € 38,86 € Ab 11,76 €
-
Wellendichtring 30x80x10 mm NBR (Nitril) Typ WAS6,24 € 5,16 € Ab 1,56 €
-
Wellendichtring 230x260x20 mm NBR (Nitril) Typ WAS73,70 € 60,91 € Ab 18,43 €
-
Wellendichtring 280x320x20 mm NBR (Nitril) Typ WAS130,99 € 108,26 € Ab 32,75 €
-
Wellendichtring 280x310x16 mm NBR (Nitril) Typ WAS122,52 € 101,26 € Ab 30,64 €
-
Wellendichtring 220x275x23 mm NBR (Nitril) Typ WAS89,08 € 73,62 € Ab 22,28 €
-
Wellendichtring 210x240x15 mm NBR (Nitril) Typ WAS47,02 € 38,86 € Ab 11,76 €
-
Wellendichtring 195x235x15 mm NBR (Nitril) Typ WAS47,02 € 38,86 € Ab 11,76 €
-
Wellendichtring 190x230x15 mm NBR (Nitril) Typ WAS41,61 € 34,39 € Ab 10,41 €
-
Wellendichtring 14x24x5 mm NBR (Nitril) Typ WAS2,72 € 2,25 € Ab 0,68 €
-
Wellendichtring 114.3x155.57x14.2 mm NBR (Nitril) Typ WAS21,08 € 17,42 € Ab 5,28 €
-
Wellendichtring 160x200x15 mm NBR (Nitril) Typ WAS31,21 € 25,79 € Ab 7,80 €
-
Wellendichtring 76x100x16 mm NBR (Nitril) Typ WAS10,83 € 8,95 € Ab 2,71 €
-
Wellendichtring 35x80x8 mm NBR (Nitril) Typ WAS6,24 € 5,16 € Ab 1,56 €
-
Wellendichtring 230x270x15 mm NBR (Nitril) Typ WAS80,94 € 66,89 € Ab 20,23 €
-
Wellendichtring 310x350x20 mm NBR (Nitril) Typ WAS131,08 € 108,33 € Ab 32,77 €
-
Wellendichtring 130x150x10 mm NBR (Nitril) Typ WAS17,38 € 14,36 € Ab 4,34 €
-
Wellendichtring 15x25x5 mm NBR (Nitril) Typ WAS2,27 € 1,88 € Ab 0,57 €
-
Wellendichtring 15x33x10 mm NBR (Nitril) Typ WAS2,90 € 2,40 € Ab 0,73 €

