Der lokale Speicher scheint in Ihrem Browser deaktiviert zu sein.
Um unsere Website in bester Weise zu erfahren, aktivieren Sie die lokale Speicherung in Ihrem Browser.
Radialwellendichtringe Typ WAD NBR-Qualität
Wellendichtringe Typ WA in NBR Gummiqualität 70 Shore A in der Farbe schwarz
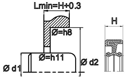
Radialwellendichtring (Simmerring) mit einem Elastomer-Außenmantel und einem metallischen Versteifungsring sowie zwei federunterstützten, entgegengesetzten Dichtlippen.
Die Feder ist hergestellt aus unlegiertem Stahl nach DIN EN 10270-1 und der Versteifungsring aus unlegiertem Stahl nach DIN EN 10139.
Der WAD ist geeignet zur Abdichtung von rotierenden Maschinenelementen, wie Wellen und Naben. Speziell zur Trennung zweier Medien oder starkem Schmutzanfall von außen bei rotierenden Wellen.
Der Elastomer-Außenmantel ermöglicht eine gute statische Abdichtung, bietet einen guten Ausgleich der Wärmeausdehnung in zum Beispiel Leichtmetallgehäusen, eine bessere Abdichtung bei größeren Rauheiten und eine sichere Abdichtung bei geteilten Gehäusen. Eine gute statische Abdichtung bei Flüssigkeiten oder Gasen ist gegeben.
Die Radialwellendichtringe haben eine gute chemische Beständigkeit gegen viele Mineralöle und -fette.
Betriebseinsatzgrenzen: Druck (MPa/Bar): ≤ 0,03/0,3 Temperatur (°C): -40 bis +100, Umfangsgeschwindigkeit (m/s): ≤ 6.
Für die Montage brauchen Sie ein dafür geeignetes Werkzeug. Es wird empfohlen den Einbauraum in solcher Weise zu gestalten, dass der Radialwellendichtring im Gehäuse axial unterstützt wird.
NBR ist gut beständig gegen:
- Mineralöle und -fette
- Aliphatische Kohlenwasserstoffe
- Pflanzliche und tierische Öle und Fette
- Hydrauliköle H, H-L, H-LP
- Druckflüssigkeiten HFA, HFB, HFC
- Silikonöle und Silikonfette
- Wasser (max. 80°C)
NBR ist nicht beständig gegen:
- Kraftstoff mit hohem Aromatengehalt
- Aromatische Kohlenwasserstoffe
- Chlorierte Kohlenwasserstoffe
- Polare Lösemittel
- Druckflüssigkeit HFD
- Bremsflüssigkeit auf Glykolbasis
- Ozon, Witterungseinflüsse, Alterung
Betriebstemperatur:
- Standardtypen -30°C bis +100°C (kurz 120°C)
- Sonderqualitäten bis -50% möglich
Referenzliste für Abdichtungen
Da Lieferanten und Produzenten von Wellendichtringen manchmal einen privaten Code gebrauchen für die verschiedenen Arten von Öldichtungen, haben wir für Sie eine Referenzliste für Radialwellendichtringe erstellt. Mithilfe dieser Referenzliste können Sie die Typenbezeichnung Ihrer Öldichtung vergleichen mit der wir für den Wellendichtring benutzen.
Wellenabdichtungen, die Sie nicht auf unsere Webseite finden (anderer Typ oder andere Gummiqualität) können nach Ihrer Zeichnung oder Ihrem Modell angefertigt werden.
|
|
-
Wellendichtring 18x32x8 NBR Typ WAD10,48 € 8,66 € Ab 2,63 €
-
Wellendichtring 12x22x7 NBR Typ WAD8,30 € 6,86 € Ab 2,08 €
-
Wellendichtring 118x140x16 NBR Typ WAD63,63 € 52,59 € Ab 15,91 €
-
Wellendichtring 30x40x10 NBR Typ WAD13,07 € 10,80 € Ab 3,27 €
-
Wellendichtring 25x52x10 NBR Typ WAD15,86 € 13,11 € Ab 3,97 €

