Der lokale Speicher scheint in Ihrem Browser deaktiviert zu sein.
Um unsere Website in bester Weise zu erfahren, aktivieren Sie die lokale Speicherung in Ihrem Browser.
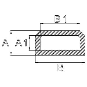
Lukendichtungen mit Hohlkammer
Diese Gummi-D-Profile werden oft verwendet als Abdichtung für Türe, Luken und Deckel. D-Profile sind sehr geeignet als Schutzleiste und die Montage erfolgt ziemlich einfach, indem man einen Metallstreifen in den Hohlkammer einschiebt, mit dem das Gummiprofil fixiert werden kann.
Qualitäten, Farben und Ausführungen von Lukenabdichtung
Unsere Gummiprofile werden produziert gemäß ISO 3302-1 E2, sonstige Normen sind nach Rücksprache auch möglich.
Die Vollgummiprofile können in verschiedenen Farben und Härtegraden hergestellt werden. Auf unsere Webseite werden die gängigsten Profile angeboten in der Farbe schwarz und Härtegrad 60 Shore A, hierauf basieren unsere Preise.
Bei jedem Artikel sind Informationen wie Maß, Farbe, Härtegrad und Gewicht angegeben.
Da wir selbst Gummiprofile produzieren, können wir diese auch nach Ihrer Zeichnung oder Ihrem Modell fertigen. Die Mindestabnahme dieser Profile ist 10 Meter.
Alle nachfolgenden D-Profile werden auf Bestellung produziert. Deswegen können wir keine Warenmuster schicken und ist zurückschicken nicht möglich.
Lukendichtungen mit Hohlkammer werden hergestellt aus SEBS, einem thermoplastischen Elastomer (TPE).
SEBS allgemeine Informationen:
- enthält keinen Ruß (dadurch entwickeln sich also keine schwarzen Schlieren)
- beständig gegen verdünnte Säuren und Laugen und sehr wasserbeständig
- beständig gegen UV-Strahlen und Ozon
- mäßig beständig gegen viele pflanzliche (ungesättigte) Fette und sehr schlecht beständig gegen tierische Fette.
- schlecht beständig gegen Schmieröl, Benzin und andere Kraftstoffe und viele Lösemittel
- gut beständig gegen Alkohol und Glykol
- geeignet für medizinische Anwendungen, Kontakt mit Körper und Spielzeug
Nehmen Sie bei Fragen oder Zweifel über die Wahl des Materials Kontakt auf mit einem unserer Experten! Wir beraten Sie gerne.
|
|

