Der lokale Speicher scheint in Ihrem Browser deaktiviert zu sein.
Um unsere Website in bester Weise zu erfahren, aktivieren Sie die lokale Speicherung in Ihrem Browser.
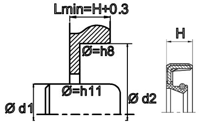
Radialwellendichtringe Typ WA Viton®-Qualität (FKM)
Wellendichtringe Typ WA Viton®-Gummiqualität (FKM) 80 Shore A und Farbe braun
Das Material der Radialwellendichtringe (Simmerringe) ist FKM, auch bekannt unter der Bezeichnung Viton®.
Die Feder ist hergestellt aus unlegiertem Stahl nach DIN EN 10270-1 und der Versteifungsring aus unlegiertem Stahl nach DIN EN 10139.
Die Anwendung ist das Abdichten von rotierenden Maschinenelementen, wie Wellen und Naben. Der WA FKM ist ein einseitig wirkender Radialwellendichtring für rotierende Wellen. Der Gummi-Außenmantel ermöglicht eine gute statische Abdichtung, bietet einen guten Ausgleich der Wärmeausdehnung (z.B. in Leichtmetallgehäusen), eine bessere Abdichtung bei größeren Rauheiten und eine sichere Abdichtung bei geteilten Gehäusen. Eine gute statische Abdichtung bei Flüssigkeiten oder Gasen ist gegeben.
FKM ist bei Hochtemperaturanwendungen, hohen Umfangsgeschwindigkeiten und chemisch aggressiven Medien den NBR-Werkstoffen überlegen. Die Kombination von FKM-Werkstoff, dem standardmäßig völlig ummantelten Versteifungsring und der Feder aus rostfreiem Stahl ermöglicht den Einsatz in chemisch aggressiven Medien. FKM (Viton®) ist beständig gegen Mineralöle und -fette, synthetische Öle und Fette, Motoren-, Getriebe-, und ATF-Öle, Kraftstoffe, aromatische und chlorierte Kohlenwasserstoffe, und gut beständig gegen Chemikalien und Lösemittel.
Betriebseinsatzgrenzen: Druck (MPa/bar): ≤ 0,05/0,5, Temperatur (°C): -30 bis +200 und Umfangsgeschwindigkeit (m/s): ≤ 35. Für die Montage wird ein dafür geeignetes Werkzeug benötigt. Es wird empfohlen den Einbauraum in solcher Weise zu gestalten, dass der Radialwellendichtring im Gehäuse axial unterstützt wird.
FKM ist gut beständig gegen:
- Mineralöle und -fette
- Aliphatische Kohlenwasserstoffe
- Aromatische Kohlenwasserstoffe
- Chlorierte Kohlenwasserstoffe
- Druckflüssigkeit HFD
- Pflanzliche und tierische Öle und Fette
- Silikonöle und Silikonfette
- Kraftstoffe
- Polare Lösemittel
- Ozon, Witterungseinflüsse, Alterung
FKM ist nicht beständig gegen:
- Bremsflüssigkeit auf Glykolbasis
- Polare Lösemittel (zum Beispiel Aceton)
- Dampf
- Heißwasser
- Amine, Alkalien
- Niedermolekulare Säuren (zum Beispiel Essigsäure)
Betriebstemperatur:
- -20 bis +200°C kurz +220°C, mit Sonderqualitäten ist -35°C möglich
Referenzliste für Abdichtungen
Da Lieferanten und Produzenten von Wellendichtringen manchmal einen privaten Code gebrauchen für die verschiedenen Arten von Öldichtungen, haben wir für Sie eine Referenzliste für Radialwellendichtringe erstellt. Mithilfe dieser Referenzliste können Sie die Typenbezeichnung Ihrer Öldichtung vergleichen mit der wir für den Wellendichtring benutzen.
Wellendichtringe, die Sie nicht auf unsere Webseite finden (anderer Typ oder andere Gummiqualität) können nach Ihrer Zeichnung oder Ihrem Modell angefertigt werden.
![]() ![]() |
-
Oliekeerring 10x19x7 mm FKM (Viton) type WA met RVS Veer27,44 € 22,68 € Ab 4,11 €
-
Wellendichtring 6x22x7 mm FKM (Viton) Typ WA11,35 € 9,38 € Ab 2,84 €
-
Wellendichtring 7x16x7 mm FKM (Viton) Typ WA9,43 € 7,79 € Ab 2,36 €
-
Wellendichtring 7x22x7 mm FKM (Viton) Typ WA11,35 € 9,38 € Ab 2,84 €
-
Wellendichtring 8x16x7 mm FKM (Viton) Typ WA9,43 € 7,79 € Ab 2,36 €
-
Wellendichtring 10x22x7 mm FKM (Viton) Typ WA10,13 € 8,37 € Ab 2,53 €
-
Wellendichtring 11x22x7 mm FKM (Viton) Typ WA11,35 € 9,38 € Ab 2,84 €
-
Wellendichtring 12x22x7 mm FKM (Viton) Typ WA10,13 € 8,37 € Ab 2,53 €
-
Wellendichtring 14x24x7 mm FKM (Viton) Typ WA10,13 € 8,37 € Ab 2,53 €
-
Wellendichtring 14x30x7 mm FKM (Viton) Typ WA12,80 € 10,58 € Ab 3,21 €
-
Wellendichtring 15x24x7 mm FKM (Viton) Typ WA10,13 € 8,37 € Ab 2,53 €
-
Wellendichtring 15x30x7 mm FKM (Viton) Typ WA11,60 € 9,59 € Ab 2,90 €
-
Wellendichtring 15x30x10 mm FKM (Viton) Typ WA12,80 € 10,58 € Ab 3,21 €
-
Wellendichtring 15x32x7 mm FKM (Viton) Typ WA12,09 € 9,99 € Ab 3,03 €
-
Wellendichtring 15x42x10 mm FKM (Viton) Typ WA19,51 € 16,12 € Ab 4,88 €
-
Wellendichtring 16x28x7 mm FKM (Viton) Typ WA11,60 € 9,59 € Ab 2,90 €
-
Wellendichtring 16x30x7 mm FKM (Viton) Typ WA11,60 € 9,59 € Ab 2,90 €
-
Wellendichtring 16x35x10 mm FKM (Viton) Typ WA17,30 € 14,30 € Ab 4,33 €
-
Wellendichtring 17x28x7 mm FKM (Viton) Typ WA11,60 € 9,59 € Ab 2,90 €
-
Wellendichtring 17x30x7 mm FKM (Viton) Typ WA11,60 € 9,59 € Ab 2,90 €
-
Wellendichtring 17x32x7 mm FKM (Viton) Typ WA12,09 € 9,99 € Ab 3,03 €
-
Wellendichtring 17x35x10 mm FKM (Viton) Typ WA13,52 € 11,17 € Ab 3,38 €
-
Wellendichtring 18x28x7 mm FKM (Viton) Typ WA11,60 € 9,59 € Ab 2,90 €
-
Wellendichtring 18x30x7 mm FKM (Viton) Typ WA11,60 € 9,59 € Ab 2,90 €
-
Wellendichtring 20x30x7 mm FKM (Viton) Typ WA11,60 € 9,59 € Ab 2,90 €
-
Wellendichtring 20x32x7 mm FKM (Viton) Typ WA12,09 € 9,99 € Ab 3,03 €
-
Wellendichtring 20x35x7 mm FKM (Viton) Typ WA12,09 € 9,99 € Ab 3,03 €
-
Wellendichtring 20x40x7 mm FKM (Viton) Typ WA13,29 € 10,98 € Ab 3,33 €
-
Wellendichtring 20x40x10 mm FKM (Viton) Typ WA14,74 € 12,18 € Ab 3,69 €
-
Wellendichtring 20x42x7 mm FKM (Viton) Typ WA14,25 € 11,78 € Ab 3,57 €
-
Wellendichtring 20x47x7 mm FKM (Viton) Typ WA15,22 € 12,58 € Ab 3,81 €
-
Wellendichtring 20x47x10 mm FKM (Viton) Typ WA16,92 € 13,98 € Ab 4,24 €
-
Wellendichtring 22x32x7 mm FKM (Viton) Typ WA12,09 € 9,99 € Ab 3,03 €
-
Wellendichtring 22x35x7 mm FKM (Viton) Typ WA12,09 € 9,99 € Ab 3,03 €
-
Wellendichtring 22x38x7 mm FKM (Viton) Typ WA14,74 € 12,18 € Ab 3,69 €
-
Wellendichtring 22x40x7 mm FKM (Viton) Typ WA13,29 € 10,98 € Ab 3,33 €
-
Wellendichtring 24x40x7 mm FKM (Viton) Typ WA14,74 € 12,18 € Ab 3,69 €
-
Wellendichtring 25x35x7 mm FKM (Viton) Typ WA12,09 € 9,99 € Ab 3,03 €
-
Wellendichtring 25x38x7 mm FKM (Viton) Typ WA13,29 € 10,98 € Ab 3,33 €
-
Wellendichtring 25x40x7 mm FKM (Viton) Typ WA13,29 € 10,98 € Ab 3,33 €
-
Wellendichtring 25x40x10 mm FKM (Viton) Typ WA14,74 € 12,18 € Ab 3,69 €
-
Wellendichtring 25x42x8 mm FKM (Viton) Typ WA14,25 € 11,78 € Ab 3,57 €
-
Wellendichtring 25x42x10 mm FKM (Viton) Typ WA15,69 € 12,97 € Ab 3,92 €
-
Wellendichtring 25x45x10 mm FKM (Viton) Typ WA14,25 € 11,78 € Ab 3,57 €
-
Wellendichtring 25x47x8 mm FKM (Viton) Typ WA15,22 € 12,58 € Ab 3,81 €
-
Wellendichtring 25x47x10 mm FKM (Viton) Typ WA15,22 € 12,58 € Ab 3,81 €
-
Wellendichtring 25x50x10 mm FKM (Viton) Typ WA16,92 € 13,98 € Ab 4,24 €
-
Wellendichtring 25x52x10 mm FKM (Viton) Typ WA18,22 € 15,06 € Ab 4,56 €
-
Wellendichtring 25x62x10 mm FKM (Viton) Typ WA23,45 € 19,38 € Ab 5,87 €
-
Wellendichtring 26x47x7 mm FKM (Viton) Typ WA16,92 € 13,98 € Ab 4,24 €
-
Wellendichtring 27x47x10 mm FKM (Viton) Typ WA23,45 € 19,38 € Ab 5,87 €
-
Wellendichtring 28x40x7 mm FKM (Viton) Typ WA13,29 € 10,98 € Ab 3,33 €
-
Wellendichtring 28x45x9 mm FKM (Viton) Typ WA15,69 € 12,97 € Ab 3,92 €
-
Wellendichtring 28x47x10 mm FKM (Viton) Typ WA15,22 € 12,58 € Ab 3,81 €
-
Wellendichtring 30x40x7 mm FKM (Viton) Typ WA13,29 € 10,98 € Ab 3,33 €
-
Wellendichtring 30x42x7 mm FKM (Viton) Typ WA14,25 € 11,78 € Ab 3,57 €
-
Wellendichtring 30x47x7 mm FKM (Viton) Typ WA15,22 € 12,58 € Ab 3,81 €
-
Wellendichtring 30x47x10 mm FKM (Viton) Typ WA16,92 € 13,98 € Ab 4,24 €
-
Wellendichtring 30x50x10 mm FKM (Viton) Typ WA15,22 € 12,58 € Ab 3,81 €
-
Wellendichtring 30x52x7 mm FKM (Viton) Typ WA18,22 € 15,06 € Ab 4,56 €
-
Wellendichtring 30x52x10 mm FKM (Viton) Typ WA18,22 € 15,06 € Ab 4,56 €
-
Wellendichtring 30x55x10 mm FKM (Viton) Typ WA20,12 € 16,63 € Ab 5,03 €
-
Wellendichtring 30x56x10 mm FKM (Viton) Typ WA21,79 € 18,01 € Ab 5,45 €
-
Wellendichtring 30x62x7 mm FKM (Viton) Typ WA21,09 € 17,43 € Ab 5,28 €
-
Wellendichtring 30x62x10 mm FKM (Viton) Typ WA21,09 € 17,43 € Ab 5,28 €
-
Wellendichtring 32x45x7 mm FKM (Viton) Typ WA14,25 € 11,78 € Ab 3,57 €
-
Wellendichtring 32x50x10 mm FKM (Viton) Typ WA16,92 € 13,98 € Ab 4,24 €
-
Wellendichtring 32x52x10 mm FKM (Viton) Typ WA20,12 € 16,63 € Ab 5,03 €
-
Wellendichtring 35x47x7 mm FKM (Viton) Typ WA15,22 € 12,58 € Ab 3,81 €
-
Wellendichtring 35x50x7 mm FKM (Viton) Typ WA15,22 € 12,58 € Ab 3,81 €
-
Wellendichtring 35x50x10 mm FKM (Viton) Typ WA15,22 € 12,58 € Ab 3,81 €
-
Wellendichtring 35x52x7 mm FKM (Viton) Typ WA20,35 € 16,82 € Ab 5,09 €
-
Wellendichtring 35x52x10 mm FKM (Viton) Typ WA21,21 € 17,53 € Ab 5,30 €
-
Wellendichtring 35x55x10 mm FKM (Viton) Typ WA22,91 € 18,93 € Ab 5,72 €
-
Wellendichtring 35x56x10 mm FKM (Viton) Typ WA28,36 € 23,44 € Ab 7,09 €
-
Wellendichtring 35x62x7 mm FKM (Viton) Typ WA27,71 € 22,90 € Ab 6,93 €
-
Wellendichtring 35x62x10 mm FKM (Viton) Typ WA27,71 € 22,90 € Ab 6,93 €
-
Wellendichtring 35x72x10 mm FKM (Viton) Typ WA28,70 € 23,72 € Ab 7,18 €
-
Wellendichtring 38x50x7 mm FKM (Viton) Typ WA16,73 € 13,83 € Ab 4,19 €
-
Wellendichtring 38x52x7 mm FKM (Viton) Typ WA18,22 € 15,06 € Ab 4,56 €
-
Wellendichtring 38x56x10 mm FKM (Viton) Typ WA21,79 € 18,01 € Ab 5,45 €
-
Wellendichtring 38x60x10 mm FKM (Viton) Typ WA21,79 € 18,01 € Ab 5,45 €
-
Wellendichtring 38x62x10 mm FKM (Viton) Typ WA23,45 € 19,38 € Ab 5,87 €
-
Wellendichtring 40x52x7 mm FKM (Viton) Typ WA18,22 € 15,06 € Ab 4,56 €
-
Wellendichtring 40x55x8 mm FKM (Viton) Typ WA18,22 € 15,06 € Ab 4,56 €
-
Wellendichtring 40x56x10 mm FKM (Viton) Typ WA21,79 € 18,01 € Ab 5,45 €
-
Wellendichtring 40x60x10 mm FKM (Viton) Typ WA19,66 € 16,25 € Ab 4,91 €
-
Wellendichtring 40x62x7 mm FKM (Viton) Typ WA21,09 € 17,43 € Ab 5,28 €
-
Wellendichtring 40x62x10 mm FKM (Viton) Typ WA23,45 € 19,38 € Ab 5,87 €
-
Wellendichtring 40x65x10 mm FKM (Viton) Typ WA21,09 € 17,43 € Ab 5,28 €
-
Wellendichtring 40x68x10 mm FKM (Viton) Typ WA26,66 € 22,03 € Ab 6,67 €
-
Wellendichtring 40x72x10 mm FKM (Viton) Typ WA28,07 € 23,20 € Ab 7,02 €
-
Wellendichtring 42x56x7 mm FKM (Viton) Typ WA21,79 € 18,01 € Ab 5,45 €
-
Wellendichtring 42x62x10 mm FKM (Viton) Typ WA23,45 € 19,38 € Ab 5,87 €
-
Wellendichtring 42x65x10 mm FKM (Viton) Typ WA23,45 € 19,38 € Ab 5,87 €
-
Wellendichtring 44x65x10 mm FKM (Viton) Typ WA23,45 € 19,38 € Ab 5,87 €
-
Wellendichtring 45x60x7 mm FKM (Viton) Typ WA19,66 € 16,25 € Ab 4,91 €
-
Wellendichtring 45x62x8 mm FKM (Viton) Typ WA21,09 € 17,43 € Ab 5,28 €
-
Wellendichtring 45x62x10 mm FKM (Viton) Typ WA23,45 € 19,38 € Ab 5,87 €
-
Wellendichtring 45x65x8 mm FKM (Viton) Typ WA21,09 € 17,43 € Ab 5,28 €

