Der lokale Speicher scheint in Ihrem Browser deaktiviert zu sein.
Um unsere Website in bester Weise zu erfahren, aktivieren Sie die lokale Speicherung in Ihrem Browser.
T-Profile
Vollgummi-T-Profile werden verwendet zum Abdichten von Glasscheiben und Plattenmaterialien. Dieses Profil wird verwendet zum Abdichten von Ritzen, Luken und Türen. Dieses Profil ist aber auch sehr geeignet als Zierleiste oder Verarbeitung. Dieses Material ist gut beständig gegen UV-Strahlen und sonstige Witterungseinflüsse. Es ist einfach montierbar auf unterschiedliche Unterlagen mit unserem Kitt. Kitt finden Sie in unserem Shop auf der Seite mit Leimen und Kitten für Gummi.
Qualitäten, Farben und Ausführungen von T-Profilen
Unsere Gummiprofile werden produziert gemäß ISO 3302-1 E2, sonstige Normen sind nach Rücksprache auch möglich.
Die Vollgummiprofile können in verschiedenen Farben und Härtegraden hergestellt werden. Auf unsere Webseite werden die gängigsten Profile angeboten in der Farbe schwarz und Härtegrad 60 Shore A, hierauf basieren unsere Preise.
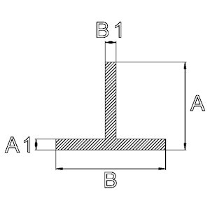
Bei jedem Artikel sind Informationen wie Maß, Farbe, Härtegrad und Gewicht angegeben.
Da wir selbst Gummiprofile produzieren, können wir diese auch nach Ihrer Zeichnung oder Ihrem Modell fertigen. Die Mindestabnahme dieser Profile ist 10 Meter.
Alle nachfolgenden Abdichtungsprofile werden auf Bestellung produziert. Deswegen können wir keine Warenmuster schicken und ist zurückschicken nicht möglich.
Gummi-T-Verarbeitungsprofil wird hergestellt aus SEBS, einem thermoplastischen Elastomer (TPE).
SEBS allgemeine Informationen:
- enthält keinen Ruß (dadurch entwickeln sich also keine schwarzen Schlieren)
- beständig gegen verdünnte Säuren und Laugen und sehr wasserbeständig
- beständig gegen UV-Strahlen und Ozon
- mäßig beständig gegen viele pflanzliche (ungesättigte) Fette und sehr schlecht beständig gegen tierische Fette.
- schlecht beständig gegen Schmieröl, Benzin und andere Kraftstoffe und viele Lösemittel
- gut beständig gegen Alkohol und Glykol
- geeignet für medizinische Anwendungen, Kontakt mit Körper und Spielzeug
Nehmen Sie bei Fragen oder Zweifel über die Wahl des Materials Kontakt auf mit einem unserer Experten! Wir beraten Sie gerne.
![]() ![]() |
-
-
-
-
-
-
-
-
-
-
Gummi-T-Profil BxH: 16x7.5 mm Wand 1.8 + 2.8 mmB: 16 A: 7.5 A1: 1.8 B1: 2.87,87 € 6,50 € Ab 4,72 €
-
-
-
-
-
-
-
-
-
-
-
-
-
-
-
-
-
-
-
-
-
-
-
-
-
-
-
Gummi-T-Profil BxH: 27.6x20 mm Wand 3.1 + 6.5 mmB: 27.6 A: 20 A1: 3.1 B1: 6.59,22 € 7,62 € Ab 5,53 €
-
-
-
-
-
-
-
-
-
-
-
-
-
-
-
-
-
-
-
-
Gummi-T-Profil BxH: 48x70 mm Wand 23.5 + 30 mmB: 48 A: 70 A1: 23.5 B1: 3036,13 € 29,86 € Ab 28,40 €
-
-
-
Gummi-T-Profil BxH: 38x72 mm Wand 13.5 + 19.5 mmB: 38 A: 72 A1: 13.5 B1: 19.520,92 € 17,29 € Ab 12,55 €
-
-

