Der lokale Speicher scheint in Ihrem Browser deaktiviert zu sein.
Um unsere Website in bester Weise zu erfahren, aktivieren Sie die lokale Speicherung in Ihrem Browser.
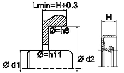
Radialwellendichtringe TYP WBS NBR-Qualität
Radialwellendichtringe Typ WBS in NBR-Gummiqualität 70 Shore A und Farbe schwarz
Radialwellendichtring (Simmerring) in der Standardausführung nach DIN 3760 mit Elastomer-Außenmantel und Metallversteifungsring sowie einer federunterstützten Dichtlippe.
Die Feder ist hergestellt aus unlegiertem Stahl nach DIN EN 10270-1 und der Versteifungsring aus unlegiertem Stahl nach DIN EN 10139.
Die Anwendung ist das Abdichten von rotierenden Maschinenelementen, wie Wellen und Naben. Der WA ist ein einseitig wirkender Radialwellendichtring für rotierende Wellen. Der Elastomer-Außenmantel ermöglicht eine gute statische Abdichtung, bietet einen guten Ausgleich der Wärmeausdehnung in zum Beispiel Leichtmetallgehäusen, eine bessere Abdichtung bei größeren Rauheiten und eine sichere Abdichtung bei geteilten Gehäusen. Eine gute statische Abdichtung bei Flüssigkeiten oder Gasen ist gegeben.
Die Radialwellendichtringe haben eine gute chemische Beständigkeit gegen viele Mineralöle und -fette.
Betriebseinsatzgrenzen: Druck (MPa/bar): ≤ 0,05/0,5, Temperatur (°C): -40 bis +100, Umfangsgeschwindigkeit (m/s): ≤ 12.
Für die Montage brauchen Sie ein dafür geeignetes Werkzeug. Es wird empfohlen den Einbauraum in solcher Weise zu gestalten, dass der Radialwellendichtring im Gehäuse axial unterstützt wird.
NBR ist gut beständig gegen:
- Mineralöle und -fette
- Aliphatische Kohlenwasserstoffe
- Pflanzliche und tierische Öle und Fette
- Hydrauliköle H, H-L, H-LP
- Druckflüssigkeiten HFA, HFB, HFC
- Silikonöle und Silikonfette
- Wasser (max. 80°C)
NBR ist nicht beständig gegen:
- Kraftstoff mit hohem Aromatengehalt
- Aromatische Kohlenwasserstoffe
- Chlorierte Kohlenwasserstoffe
- Polare Lösemittel
- Druckflüssigkeit und HFD
- Bremsflüssigkeit auf Glykolbasis
- Ozon, Witterungseinflüsse, Alterung
Betriebstemperatur:
- Standardtypen -30°C bis +100°C (kurz 120°C)
- Sonderqualitäten bis -50% möglich
Referenzliste für Abdichtungen
Da Lieferanten und Produzenten von Wellendichtringen manchmal einen privaten Code gebrauchen für die verschiedenen Arten von Öldichtungen, haben wir für Sie eine Referenzliste für Radialwellendichtringe erstellt. Mithilfe dieser Referenzliste können Sie die Typenbezeichnung Ihrer Öldichtung vergleichen mit der wir für den Wellendichtring benutzen.
Wellendichtringe, die Sie nicht auf unsere Webseite finden (anderer Typ oder andere Gummiqualität) können nach Ihrer Zeichnung oder Ihrem Modell angefertigt werden.
![]() ![]() |
-
Wellendichtring 57x68x9 mm NBR (Nitril) Typ WBS8,34 € 6,89 € Ab 2,08 €
-
Wellendichtring 15x30x7 mm NBR (Nitril) Typ WBS2,86 € 2,36 € Ab 0,71 €
-
Wellendichtring 18x30x7 mm NBR (Nitril) Typ WBS2,86 € 2,36 € Ab 0,71 €
-
Wellendichtring 20x40x10 mm NBR (Nitril) Typ WBS4,76 € 3,93 € Ab 1,19 €
-
Wellendichtring 20x47x10 mm NBR (Nitril) Typ WBS4,86 € 4,02 € Ab 1,22 €
-
Wellendichtring 55x85x13 mm NBR (Nitril) Typ WBS9,61 € 7,94 € Ab 2,41 €
-
Wellendichtring 25x42x7 mm NBR (Nitril) Typ WBS5,25 € 4,34 € Ab 1,32 €
-
Wellendichtring 25x47x10 mm NBR (Nitril) Typ WBS4,86 € 4,02 € Ab 1,22 €
-
Wellendichtring 30x47x8 mm NBR (Nitril) Typ WBS5,87 € 4,85 € Ab 1,46 €
-
Wellendichtring 30x47x10 mm NBR (Nitril) Typ WBS5,87 € 4,85 € Ab 1,46 €
-
Wellendichtring 30x50x10 mm NBR (Nitril) Typ WBS5,87 € 4,85 € Ab 1,46 €
-
Wellendichtring 30x52x10 mm NBR (Nitril) Typ WBS6,53 € 5,40 € Ab 1,63 €
-
Wellendichtring 30x52x12 mm NBR (Nitril) Typ WBS5,40 € 4,46 € Ab 1,36 €
-
Wellendichtring 30x55x7 mm NBR (Nitril) Typ WBS6,53 € 5,40 € Ab 1,63 €
-
Wellendichtring 30x55x12 mm NBR (Nitril) Typ WBS6,53 € 5,40 € Ab 1,63 €
-
Wellendichtring 30x60x10 mm NBR (Nitril) Typ WBS6,79 € 5,61 € Ab 1,69 €
-
Wellendichtring 30x62x10 mm NBR (Nitril) Typ WBS7,43 € 6,14 € Ab 1,86 €
-
Wellendichtring 32x52x12 mm NBR (Nitril) Typ WBS5,40 € 4,46 € Ab 1,36 €
-
Wellendichtring 33x50x12 mm NBR (Nitril) Typ WBS4,86 € 4,02 € Ab 1,22 €
-
Wellendichtring 35x50x10 mm NBR (Nitril) Typ WBS4,86 € 4,02 € Ab 1,22 €
-
Wellendichtring 35x50x12 mm NBR (Nitril) Typ WBS5,87 € 4,85 € Ab 1,46 €
-
Wellendichtring 35x52x12 mm NBR (Nitril) Typ WBS6,53 € 5,40 € Ab 1,63 €
-
Wellendichtring 35x56x10 mm NBR (Nitril) Typ WBS5,58 € 4,61 € Ab 1,39 €
-
Wellendichtring 35x62x10 mm NBR (Nitril) Typ WBS7,43 € 6,14 € Ab 1,86 €
-
Wellendichtring 35x62x12 mm NBR (Nitril) Typ WBS7,43 € 6,14 € Ab 1,86 €
-
Wellendichtring 35x72x7 mm NBR (Nitril) Typ WBS6,86 € 5,67 € Ab 1,72 €
-
Wellendichtring 35x72x12 mm NBR (Nitril) Typ WBS6,86 € 5,67 € Ab 1,72 €
-
Wellendichtring 38x52x7 mm NBR (Nitril) Typ WBS5,40 € 4,46 € Ab 1,36 €
-
Wellendichtring 38x62x10 mm NBR (Nitril) Typ WBS6,12 € 5,06 € Ab 1,54 €
-
Wellendichtring 40x80x10 mm NBR (Nitril) Typ WBS7,28 € 6,02 € Ab 1,83 €
-
Wellendichtring 42x58x7 mm NBR (Nitril) Typ WBS5,58 € 4,61 € Ab 1,39 €
-
Wellendichtring 42x62x7 mm NBR (Nitril) Typ WBS6,12 € 5,06 € Ab 1,54 €
-
Wellendichtring 45x65x12 mm NBR (Nitril) Typ WBS6,12 € 5,06 € Ab 1,54 €
-
Wellendichtring 45x72x8 mm NBR (Nitril) Typ WBS8,34 € 6,89 € Ab 2,08 €
-
Wellendichtring 45x72x12 mm NBR (Nitril) Typ WBS8,34 € 6,89 € Ab 2,08 €
-
Wellendichtring 45x75x8 mm NBR (Nitril) Typ WBS6,86 € 5,67 € Ab 1,72 €
-
Wellendichtring 60x90x13 mm NBR (Nitril) Typ WBS10,36 € 8,56 € Ab 2,59 €
-
Wellendichtring 64x80x8 mm NBR (Nitril) Typ WBS7,28 € 6,02 € Ab 1,83 €
-
Wellendichtring 70x90x10 mm NBR (Nitril) Typ WBS8,55 € 7,07 € Ab 2,14 €
-
Wellendichtring 70x100x12 mm NBR (Nitril) Typ WBS9,91 € 8,19 € Ab 2,48 €
-
Wellendichtring 74x90x10 mm NBR (Nitril) Typ WBS8,55 € 7,07 € Ab 2,14 €
-
Wellendichtring 80x110x13 mm NBR (Nitril) Typ WBS13,72 € 11,34 € Ab 3,44 €
-
Wellendichtring 90x110x13 mm NBR (Nitril) Typ WBS13,72 € 11,34 € Ab 3,44 €
-
Wellendichtring 90x115x13 mm NBR (Nitril) Typ WBS11,83 € 9,78 € Ab 2,96 €
-
Wellendichtring 125x150x13 mm NBR (Nitril) Typ WBS20,28 € 16,76 € Ab 5,07 €
-
Wellendichtring 145x170x13 mm NBR (Nitril) Typ WBS35,88 € 29,65 € Ab 8,97 €
-
Wellendichtring 160x185x13 mm NBR (Nitril) Typ WBS32,20 € 26,61 € Ab 8,05 €
-
Wellendichtring 180x200x15 mm NBR (Nitril) Typ WBS44,20 € 36,53 € Ab 11,05 €
-
Wellendichtring 15x35x7 mm NBR (Nitril) Typ WBS3,40 € 2,81 € Ab 0,85 €
-
Wellendichtring 41x53x7 mm NBR (Nitril) Typ WBS5,40 € 4,46 € Ab 1,36 €
-
Wellendichtring 25x52x7 mm NBR (Nitril) Typ WBS5,40 € 4,46 € Ab 1,36 €
-
Wellendichtring 30x50x7 mm NBR (Nitril) Typ WBS5,87 € 4,85 € Ab 1,46 €
-
Wellendichtring 40x62x7 mm NBR (Nitril) Typ WBS6,12 € 5,06 € Ab 1,54 €
-
Wellendichtring 42x55x9 mm NBR (Nitril) Typ WBS5,40 € 4,46 € Ab 1,36 €
-
Wellendichtring 45x62x10 mm NBR (Nitril) Typ WBS6,12 € 5,06 € Ab 1,54 €
-
Wellendichtring 55x80x13 mm NBR (Nitril) Typ WBS8,88 € 7,34 € Ab 2,23 €
-
Wellendichtring 56x72x8 mm NBR (Nitril) Typ WBS8,34 € 6,89 € Ab 2,08 €
-
Wellendichtring 65x100x13 mm NBR (Nitril) Typ WBS9,91 € 8,19 € Ab 2,48 €
-
Wellendichtring 65x90x13 mm NBR (Nitril) Typ WBS10,36 € 8,56 € Ab 2,59 €
-
Wellendichtring 70x95x13 mm NBR (Nitril) Typ WBS9,39 € 7,76 € Ab 2,35 €
-
Wellendichtring 72x95x13 mm NBR (Nitril) Typ WBS9,39 € 7,76 € Ab 2,35 €
-
Wellendichtring 75x100x13 mm NBR (Nitril) Typ WBS12,06 € 9,97 € Ab 3,01 €
-
Wellendichtring 30x42x7 mm NBR (Nitril) Typ WBS4,34 € 3,59 € Ab 1,09 €
-
Wellendichtring 32x52x10 mm NBR (Nitril) Typ WBS5,40 € 4,46 € Ab 1,36 €
-
Wellendichtring 40x52x7 mm NBR (Nitril) Typ WBS5,40 € 4,46 € Ab 1,36 €
-
Wellendichtring 40x54x5.5 mm NBR (Nitril) Typ WBS5,40 € 4,46 € Ab 1,36 €
-
Wellendichtring 40x55x9 mm NBR (Nitril) Typ WBS5,40 € 4,46 € Ab 1,36 €
-
Wellendichtring 42x56x7 mm NBR (Nitril) Typ WBS5,58 € 4,61 € Ab 1,39 €
-
Wellendichtring 42x57x8 mm NBR (Nitril) Typ WBS5,58 € 4,61 € Ab 1,39 €
-
Wellendichtring 135x162x13 mm NBR (Nitril) Typ WBS32,67 € 27,00 € Ab 8,17 €
-
Wellendichtring 45x62x7 mm NBR (Nitril) Typ WBS6,12 € 5,06 € Ab 1,54 €
-
Wellendichtring 47x68x13 mm NBR (Nitril) Typ WBS6,34 € 5,24 € Ab 1,59 €
-
Wellendichtring 48x62x7 mm NBR (Nitril) Typ WBS6,12 € 5,06 € Ab 1,54 €
-
Wellendichtring 50x70x8 mm NBR (Nitril) Typ WBS6,34 € 5,24 € Ab 1,59 €
-
Wellendichtring 52x65x9 mm NBR (Nitril) Typ WBS6,12 € 5,06 € Ab 1,54 €
-
Wellendichtring 54x72.5x9 mm NBR (Nitril) Typ WBS6,86 € 5,67 € Ab 1,72 €
-
Wellendichtring 58x72x8 mm NBR (Nitril) Typ WBS6,86 € 5,67 € Ab 1,72 €
-
Wellendichtring 60x80x8 mm NBR (Nitril) Typ WBS7,28 € 6,02 € Ab 1,83 €
-
Wellendichtring 75x100x10 mm NBR (Nitril) Typ WBS12,06 € 9,97 € Ab 3,01 €
-
Wellendichtring 85x110x12 mm NBR (Nitril) Typ WBS13,72 € 11,34 € Ab 3,44 €
-
Wellendichtring 145x175x14 mm NBR (Nitril) Typ WBS30,31 € 25,05 € Ab 7,57 €
-
Wellendichtring 110x150x13 mm NBR (Nitril) Typ WBS24,61 € 20,34 € Ab 6,16 €
-
Wellendichtring 20x32x7 mm NBR (Nitril) Typ WBS4,10 € 3,39 € Ab 1,03 €
-
Wellendichtring 20x42x7 mm NBR (Nitril) Typ WBS4,34 € 3,59 € Ab 1,09 €
-
Wellendichtring 25x35x7 mm NBR (Nitril) Typ WBS4,10 € 3,39 € Ab 1,03 €
-
Wellendichtring 25x42x10 mm NBR (Nitril) Typ WBS5,25 € 4,34 € Ab 1,32 €
-
Wellendichtring 25x52x10 mm NBR (Nitril) Typ WBS5,40 € 4,46 € Ab 1,36 €
-
Wellendichtring 30x62x7 mm NBR (Nitril) Typ WBS7,43 € 6,14 € Ab 1,86 €
-
Wellendichtring 35x62x7 mm NBR (Nitril) Typ WBS7,43 € 6,14 € Ab 1,86 €
-
Wellendichtring 50x68x10 mm NBR (Nitril) Typ WBS6,34 € 5,24 € Ab 1,59 €
-
Wellendichtring 60x90x10 mm NBR (Nitril) Typ WBS9,46 € 7,82 € Ab 2,37 €
-
Wellendichtring 65x90x10 mm NBR (Nitril) Typ WBS8,55 € 7,07 € Ab 2,14 €
-
Wellendichtring 25x40x8 mm NBR (Nitril) Typ WBS4,76 € 3,93 € Ab 1,19 €
-
Wellendichtring 80x100x13 mm NBR (Nitril) Typ WBS12,06 € 9,97 € Ab 3,01 €
-
Wellendichtring 25x45x10 mm NBR (Nitril) Typ WBS4,34 € 3,59 € Ab 1,09 €
-
Wellendichtring 35x47x7 mm NBR (Nitril) Typ WBS4,86 € 4,02 € Ab 1,22 €
-
Wellendichtring 70x85x8 mm NBR (Nitril) Typ WBS9,61 € 7,94 € Ab 2,41 €
-
Wellendichtring 32x47x10 mm NBR (Nitril) Typ WBS4,86 € 4,02 € Ab 1,22 €
-
Wellendichtring 64x90x13 mm NBR (Nitril) Typ WBS8,55 € 7,07 € Ab 2,14 €

