Der lokale Speicher scheint in Ihrem Browser deaktiviert zu sein.
Um unsere Website in bester Weise zu erfahren, aktivieren Sie die lokale Speicherung in Ihrem Browser.
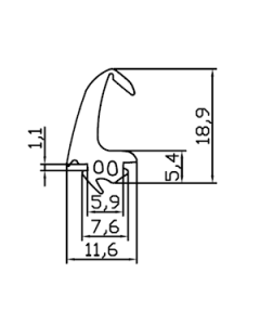
Gummi-Zargenprofile breit
Die breite Fensterführungs- und Zargenprofile mit Dichtlippe können zum Abdichten von Türen und Zargen eingesetzt werden. Dieses Profil wird auch häufig zum Abdichten von Türen verwendet, die völlig aus Glas bestehen. Die Gummiprofile werden hergestellt aus einem Gummi, das nicht abfärbt.
Breite Gummi-Zargenprofile werden aus SEBS hergestellt. SEBS-Gummi ist eine flexible und weiche Qualität, die sich leicht formen und verarbeiten lässt. SEBS enthält keinen Ruß und färbt daher nicht ab.
Die Vollgummiprofile können in vielen Farben und Härtegraden hergestellt werden. Auf unsere Webseite werden die gängigsten Fensterführungsprofile angeboten in der Farbe schwarz und Härtegrad 60 Shore A. Hierauf basieren unsere Preise. Bei jedem Artikel sind Informationen wie Maß, Farbe, Härtegrad und Gewicht pro Meter angegeben.
Da wir Gummiprofile für Zargen selbst herstellen, können wir diese nach Ihrer Zeichnung oder Ihrem Modell herstellen. Die Mindestabnahme dieser Profile ist 10 Meter.
Alle nachfolgenden Zargenprofile werden auf Bestellung produziert. Daher können wir keine Muster versenden oder Profile zurücknehmen.
SEBS allgemeine Informationen:
- enthält keinen Ruß (und verursacht daher keine schwarzen Schlieren)
- höhere thermische Belastung
- hohe Beständigkeit gegen Wasser und verdünnte Säuren und Laugen
- ozon- und UV-beständig
- mäßig beständig gegen viele pflanzliche (ungesättigte) Fette und sehr schlecht beständig gegen tierische Fette.
- schlecht beständig gegen viele Lösemittel, Schmieröl, Benzin und andere Kraftstoffe
- gut beständig gegen Alkohol und Glykol
- geeignet für medizinische Anwendungen, Kontakt mit dem Körper und Spielzeuge
Bei Fragen oder Zweifeln können Sie sich gerne an einen unserer Experten wenden! Wir beraten Sie gerne.
![]() |




