Der lokale Speicher scheint in Ihrem Browser deaktiviert zu sein.
Um unsere Website in bester Weise zu erfahren, aktivieren Sie die lokale Speicherung in Ihrem Browser.
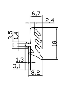
Zargen- und Türabdichtung aus Gummi
Diese Abdichtungsprofile für die Bauindustrie sind aus flexiblem Gummi gefertigt, das nicht abfärbt. Die Gummiprofile können in allen möglichen Farben, aber auch in einer transluzenten Ausführung hergestellt werden, z.B. für Duschkabinen oder Anwendungen, bei denen die Tür oder das Fenster völlig aus Glas besteht.
Die gezeigten Gummidichtungen eignen sich hervorragend für Dichtungen in Aluminiumnuten von Türen und Fenstern. Bei Bedarf können Vollgummiprofile in der Farbe der Nut hergestellt werden.
Gummidichtungen für Türen und Zargen werden aus SEBS hergestellt. SEBS-Gummi ist eine flexible und weiche Qualität, die sich leicht formen und verarbeiten lässt. SEBS enthält keinen Ruß und färbt daher nicht ab.
Die Vollgummiprofile können in vielen Farben und Härtegraden hergestellt werden. Auf unserer Webseite bieten wir die gängigsten Vollgummi-Rahmen- und Türdichtungen in der Farbe Schwarz und Härte 60 Shore A an. Hierauf basieren unsere Preise. Bei jedem Artikel sind Informationen wie Maß, Farbe, Härtegrad und Gewicht pro Meter angegeben.
Da wir selbst Gummi-Abdichtungsprofile produzieren, können wir diese auch nach Ihrer Zeichnung oder Ihrem Modell fertigen. Die Mindestabnahme dieser Profile ist 10 Meter.
Alle nachfolgenden Gummidichtungen werden auf Bestellung produziert. Daher können wir keine Muster versenden oder Profile zurücknehmen.
SEBS allgemeine Informationen:
- enthält keinen Ruß (und verursacht daher keine schwarzen Schlieren)
- höhere thermische Belastung
- hohe Beständigkeit gegen Wasser und verdünnte Säuren und Laugen
- ozon- und UV-beständig
- mäßig beständig gegen viele pflanzliche (ungesättigte) Fette und sehr schlecht beständig gegen tierische Fette.
- schlecht beständig gegen viele Lösemittel, Schmieröl, Benzin und andere Kraftstoffe
- gut beständig gegen Alkohol und Glykol
- geeignet für medizinische Anwendungen, Kontakt mit dem Körper und Spielzeuge
Bei Fragen oder Zweifeln können Sie sich gerne an einen unserer Experten wenden! Wir beraten Sie gerne.
![]() |
-
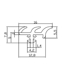
Gummi-Rahmenabdichtung und Gummi-Tuerabdichtung 16x7.8 mmHöhe: 7.8 Breite: 168,91 € 7,36 € Ab 5,35 € -
Gummi-Rahmenabdichtung und Gummi-Tuerabdichtung 13.5x7.9 mmHöhe: 7.9 Breite: 13.57,57 € 6,26 € Ab 4,55 € -
Gummi-Rahmenabdichtung und Gummi-Tuerabdichtung 14.5x9.2 mmHöhe: 9.2 Breite: 14.510,65 € 8,80 € Ab 6,39 € -
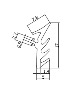
Gummi-Rahmenabdichtung und Gummi-Tuerabdichtung 7.8x17 mmHöhe: 17 Breite: 7.87,30 € 6,03 € Ab 4,38 € -
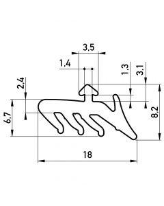
Gummi-Rahmenabdichtung und Gummi-Tuerabdichtung 8.2x18 mmHöhe: 18 Breite: 8.27,64 € 6,31 € Ab 4,59 €
