Der lokale Speicher scheint in Ihrem Browser deaktiviert zu sein.
Um unsere Website in bester Weise zu erfahren, aktivieren Sie die lokale Speicherung in Ihrem Browser.
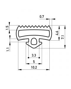
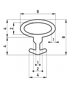
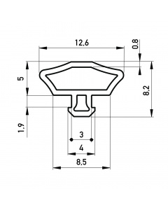
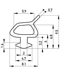
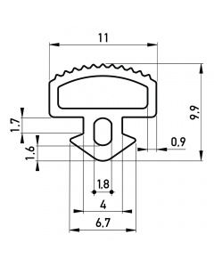
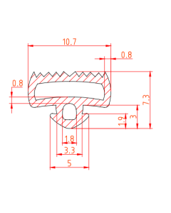
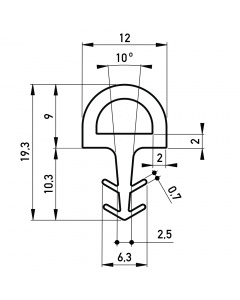
Gummi-Abdichtsteckprofile
Abdichtsteckprofile werden aus einem Material hergestellt, das nicht abfärbt. Diese Profile werden oft auch aus Silikongummi hergestellt und dann in Öfen oder Umgebungen eingesetzt, in denen eine höhere Temperatur herrscht und eine höhere Hitzebeständigkeit erforderlich ist.
Gummi-Steckprofile zur Abdichtung werden aus SEBS hergestellt. SEBS-Gummi ist eine flexible und weiche Qualität, die sich leicht formen und verarbeiten lässt. SEBS enthält keinen Ruß und färbt daher nicht ab.
Die Vollgummiprofile können in vielen Farben und Härtegraden hergestellt werden. Auf unsere Webseite werden die gängigsten Vollgummi-Abdichtsteckprofile angeboten in der Farbe schwarz und Härtegrad 60 Shore A. Hierauf basieren unsere Preise. Bei jedem Artikel sind Informationen wie Maß, Farbe, Härtegrad und Gewicht pro Meter angegeben.
Da wir selbst Gummi-Abdichtsteckprofile produzieren, können wir diese auch nach Ihrer Zeichnung oder Ihrem Modell fertigen. Die Mindestabnahme dieser Profile ist 10 Meter.
Alle nachfolgenden Abdichtsteckprofile werden auf Bestellung produziert. Daher können wir keine Muster versenden oder Profile zurücknehmen.
SEBS allgemeine Informationen:
- enthält keinen Ruß (und verursacht daher keine schwarzen Schlieren)
- höhere thermische Belastung
- hohe Beständigkeit gegen Wasser und verdünnte Säuren und Laugen
- ozon- und UV-beständig
- mäßig beständig gegen viele pflanzliche (ungesättigte) Fette und sehr schlecht beständig gegen tierische Fette.
- schlecht beständig gegen viele Lösemittel, Schmieröl, Benzin und andere Kraftstoffe
- gut beständig gegen Alkohol und Glykol
- geeignet für medizinische Anwendungen, Kontakt mit dem Körper und Spielzeuge
Bei Fragen oder Zweifeln können Sie sich gerne an einen unserer Experten wenden! Wir beraten Sie gerne.
![]() |






