Der lokale Speicher scheint in Ihrem Browser deaktiviert zu sein.
Um unsere Website in bester Weise zu erfahren, aktivieren Sie die lokale Speicherung in Ihrem Browser.
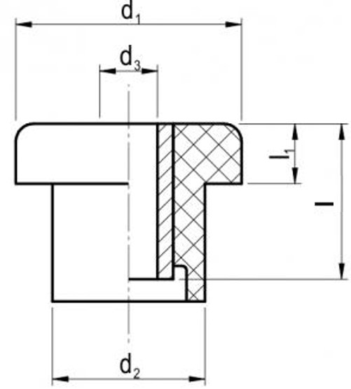
Alle Bundbuchsen
Kragenbuchsen, auch bekannt als Einziehmuttern oder Blindnietmuttern, und T-Block-Dämpfer, auch bekannt als Center Bonded Mounts, sind vielseitige Befestigungselemente, die speziell entwickelt wurden, um Vibrationen, Stöße und Geräusche zu isolieren. Beide Arten von Kragenbuchsen haben ihr eigenes einzigartiges Design und ihre eigenen Anwendungen, aber sie dienen demselben Zweck. Egal, ob Sie sich für eine Blindnietmutter entscheiden, die ohne Zugang zur Rückseite des Materials montiert werden kann, oder für eine T-Block-Kragenbuchse, die einfach mit einer Schraube und Mutter installiert werden kann, beide bieten zuverlässige, vibrationsdämpfende und langlebige Verbindungen für verschiedene Anwendungen.
Bitte kontaktieren Sie uns für spezielle maßgeschneiderte Optionen oder weitere Informationen darüber, welche Lösung am besten zu Ihrer spezifischen Anwendung passt.



