Der lokale Speicher scheint in Ihrem Browser deaktiviert zu sein.
Um unsere Website in bester Weise zu erfahren, aktivieren Sie die lokale Speicherung in Ihrem Browser.

Aufgrund der Weihnachtsferien ist Technirub vom 22.12.2025 bis einschließlich 04.01.2026 geschlossen.

Das bedeutet, dass alle Bestellungen, die nach dem 21. Dezember aufgegeben werden, erst in der Woche ab dem 5. Januar von uns bearbeitet werden.

Aufblasbare Silikonprofile gerippt

Im Folgenden finden Sie aufblasbare Silikonprofile in einem transluzenten, technischen Material. Der Härtegrad jedes Profils wird bei dem Artikel angegeben. Alle Silikonprofile auf dieser Seite werden produziert gemäß ISO 3302-1 E2, sonstige Normen sind nach Rücksprache ebenfalls lieferbar.

Die Mindestabnahme von aufblasbaren Silikonprofilen und sonstige Silikongummi-Profilen und -Abdichtungen ist 25 Meter.

Neben den aufblasbaren Silikonprofilen auf unserer Webseite, sind auf Anfrage auch andere Silikonmaterialien lieferbar, zum Beispiel für medizinische Anwendungen oder für die Nahrungsmittelindustrie. Auf Anfrage produzieren wir auch Silikonprofile, die beständig sind gegen Temperaturen über 250°C und in vielen, grellen Farben Wir extrudieren auch Profile nach Ihrer Zeichnung oder Ihrem Modell, die auf Wunsch maschinell auf kurze oder große Längen geschnitten werden.

- Temperaturbereich von Silikongummi -60°C bis +200°C:
- Trockenluft +180°C
- Heißwasser +100°C

Allgemeine Beständigkeit gegen:
- Mineralöle und -fette: mäßig
- tierische und pflanzliche Öle und Fette: mäßig
- verdünnte Säuren: hervorragend
- konzentrierte Säuren: mäßig
- Lösemittel
Aliphate, Benzin usw.: gering
Aromaten; Toluol, Benzol: gering
Ester, Ether, Alkohol: mäßig
chloriert; Tetra, Tri usw.: gering
- Wasserabsorption: hervorragend
- UV-Strahlen und Ozon: hervorragend

Besondere Eigenschaften:
- temperaturbeständig
- kälte- und ozonbeständig
- geruch- und geschmacklos

Aufblasbare Silikongummi-Profile werden auf Bestellung produziert, sie sind nicht aus Vorrat lieferbar und es gibt auch keine Muster dieser Profile. Einmal produzierte Gummiprofile können nicht umgetauscht oder zurückgeschickt werden.

Aufblasbare SilikonprofileAufblasbare Abdichtungen

Filter

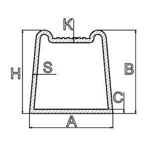
Maßeinheit: Millimeter

 

C
Von bis
K
Von bis
B
Von bis
A
Von bis
H
Von bis
pro Seite
Absteigend sortieren
  1. Aufblasbare Silikondichtung 8.6x8.3 mm
    A: 9 B: 8
    13,73 € 11,35 €
  2. Aufblasbare Silikondichtung 12x8.5 mm
    A: 12 B: 9
    15,31 € 12,65 €
  3. Aufblasbare Silikondichtung 12x8 mm
    A: 12 B: 8
    15,50 € 12,81 €
  4. Aufblasbare Silikondichtung 16x7.5 mm
    A: 16 B: 8
    14,13 € 11,68 €
  5. Aufblasbare Silikondichtung 16x9.5 mm
    A: 16 B: 10
    12,86 € 10,63 €
  6. Aufblasbare Silikondichtung 16x10 mm
    A: 16 B: 10
    17,59 € 14,54 €
  7. Aufblasbare Silikondichtung 17x8.5 mm
    A: 17 B: 9
    13,03 € 10,77 €
  8. Aufblasbare Silikondichtung 17x9.5 mm
    A: 17 B: 10
    13,36 € 11,04 €
  9. Aufblasbare Silikondichtung 17x8.5 mm
    A: 17 B: 9
    15,46 € 12,78 €
  10. Aufblasbare Silikondichtung 30x30.3 mm
    A: 30 B: 30
    47,54 € 39,29 €