Der lokale Speicher scheint in Ihrem Browser deaktiviert zu sein.
Um unsere Website in bester Weise zu erfahren, aktivieren Sie die lokale Speicherung in Ihrem Browser.

Aufgrund der Weihnachtsferien ist Technirub vom 22.12.2025 bis einschließlich 04.01.2026 geschlossen.

Das bedeutet, dass alle Bestellungen, die nach dem 21. Dezember aufgegeben werden, erst in der Woche ab dem 5. Januar von uns bearbeitet werden.

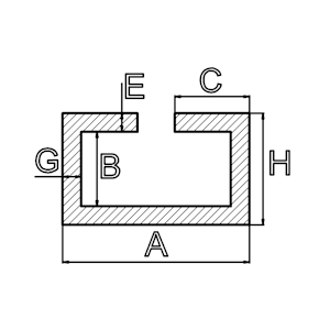
Silikon-Vierkantprofil offen mit Hohlkammer

Im Folgenden finden Sie Silikon-Vierkantprofile offen mit Hohlkammer in einem transluzenten, technischen Material. Der Härtegrad jedes Profils wird bei dem Artikel angegeben. Alle Silikonprofile auf dieser Seite werden produziert gemäß ISO 3302-1 E2, sonstige Normen sind nach Rücksprache ebenfalls lieferbar.

Die Mindestlänge der von uns gelieferten transluzenten Silikon-Rundschnüre, Silikon-Schlauchprofile, Silikon-Vierkantprofile, Moosgummi-Silikon-Rundschnüre und Moosgummi-Silikon-Vierkantprofile ist 5 Meter, die Mindestabnahme von sonstigen Silikonprofilen ist 25 Meter.

Neben dem Silikon-Vierkantprofil offen mit Hohlkammer auf unserer Webseite, sind auf Anfrage auch andere Silikonmaterialien lieferbar, zum Beispiel für medizinische Anwendungen oder für die Nahrungsmittelindustrie. Auf Anfrage produzieren wir auch Silikonprofile, die beständig sind gegen Temperaturen über 250°C und in vielen, grellen Farben Wir extrudieren auch Profile nach Ihrer Zeichnung oder Ihrem Modell, die auf Wunsch maschinell auf kurze oder große Längen geschnitten werden.

- Temperaturbereich von Silikongummi -60°C bis +200°C:
- Trockenluft +180°C
- Heißwasser +100°C

Allgemeine Beständigkeit gegen:
- Mineralöle und -fette: mäßig
- tierische und pflanzliche Öle und Fette: mäßig
- verdünnte Säuren: hervorragend
- konzentrierte Säuren: mäßig
- Lösemittel
Aliphate, Benzin usw.: gering
Aromaten; Toluol, Benzol: gering
Ester, Ether, Alkohol: mäßig
chloriert; Tetra, Tri usw.: gering
- Wasserabsorption: hervorragend
- UV-Strahlen und Ozon: hervorragend

Besondere Eigenschaften:
- temperaturbeständig
- kälte- und ozonbeständig
- geruch- und geschmacklos


Silikonprofile werden auf Bestellung produziert, sie sind nicht aus Vorrat lieferbar und es gibt auch keine Muster dieser Profile. Einmal produzierte Gummiprofile können nicht umgetauscht oder zurückgeschickt werden.

Silikon-VierkantprofilSilikon-Vierkantprofil offen mit Hohlkammer

Filter

Maßeinheit: Millimeter

 

E
Von bis
C
Von bis
B
Von bis
A
Von bis
H
Von bis
G
Von bis
pro Seite
Absteigend sortieren
  1. Silicone open doos profiel BxH: 14x4 mm
    A: 14 G: 1.5 H: 4
    14,65 € 12,11 €
  2. Silicone open doos profiel BxH: 14.6x3.6 mm
    A: 14.6 G: 0.8 H: 3.6
    12,50 € 10,33 €
  3. Silicone open doos profiel BxH: 16x5.1 mm
    A: 16 G: 1.8 H: 5.1
    13,19 € 10,90 €
  4. Silicone open doos profiel BxH: 16.6x5.1 mm
    A: 16.6 G: 1.8 H: 5.1
    13,54 € 11,19 €
  5. Silicone open doos profiel BxH: 17x4.5 mm
    A: 17 G: 1.5 H: 4.5
    11,97 € 9,89 €
  6. Silicone open doos profiel BxH: 19x9.6 mm
    A: 19 G: 2.7 H: 9.6
    22,24 € 18,38 €
  7. Silicone open doos profiel BxH: 19.6x6.4 mm
    A: 19.6 G: 2.7 H: 6.4
    16,77 € 13,86 €
  8. Silicone open doos profiel BxH: 20x4.5 mm
    A: 20 G: 1.5 H: 4.5
    13,43 € 11,10 €
  9. Silicone open doos profiel BxH: 23x4 mm
    A: 23 G: 1.5 H: 4
    14,65 € 12,11 €
  10. Silicone open doos profiel BxH: 23x4.5 mm
    A: 23 G: 1.5 H: 4.5
    14,90 € 12,31 €
  11. Silicone open doos profiel BxH: 23.5x7.2 mm
    A: 23.5 G: 1.5 H: 7.2
    13,26 € 10,96 €
  12. Silicone open doos profiel BxH: 29x14 mm
    A: 29 G: 2 H: 14
    22,34 € 18,46 €
  13. Silicone open doos profiel BxH: 30x6.5 mm
    A: 30 G: 2 H: 6.5
    19,12 € 15,80 €
  14. Silicone open doos profiel BxH: 30x18.5 mm
    A: 30 G: 5 H: 18.5
    36,19 € 29,91 €
  15. Silicone open doos profiel BxH: 34.6x4.3 mm
    A: 34.6 G: 1.5 H: 4.3
    16,32 € 13,49 €
  16. Silicone open doos profiel BxH: 38.6x4.3 mm
    A: 38.6 G: 3.5 H: 4.3
    18,48 € 15,27 €
  17. Silicone open doos profiel BxH: 60x10 mm
    A: 60 G: 4 H: 10
    45,79 € 37,84 €
  18. Silicone open doos profiel BxH: 64x19 mm
    A: 64 G: 7 H: 19
    58,46 € 48,31 €
  19. Silicone open doos profiel BxH: 95.2x19 mm
    A: 95.2 G: 7.5 H: 19
    88,06 € 72,78 €